
河南双诚环境科技分享:焚烧炉跟化床的差异有哪些? 焚烧炉适用于处理那些填埋无法处理的危废废物的,焚烧炉的品种有很多,废物焚烧炉,流化床焚烧炉,虽然都是焚烧炉···

蓄热焚烧炉调整相关内容是什么? rto蓄热焚烧炉适用于处理废物废物,谁也不能rto蓄热焚烧炉可以一向正常运转,况且rto蓄热焚烧炉一向处理高强度的焚烧工作,所以许多···

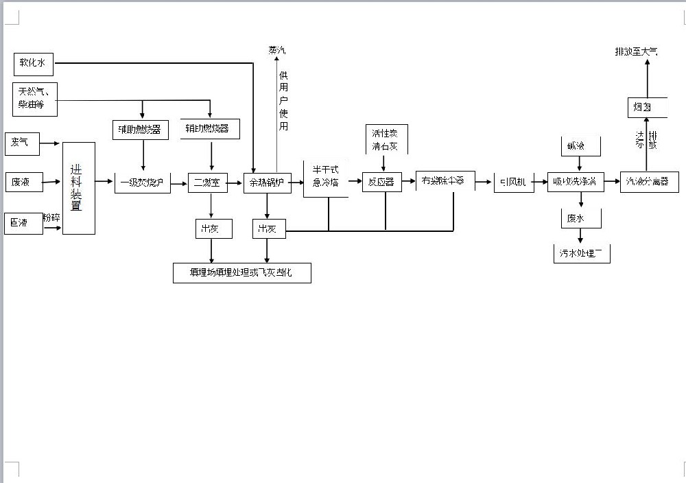
废液焚烧炉的原理和操作流程 许多工厂在出产进程中会发生很多有害的废液,假如不加处理直接排放,很有可能会影响土壤、水质环境!这些废液处理办法通常有生化和物理···

聚乙烯(PE)和聚丙烯(PP)的区别PE(聚乙烯)PP(聚丙烯)工艺比较:聚乙烯储罐为整体成形无焊缝; 聚丙烯储罐为块板拼焊而成。 耐腐蚀性:很强比较···

河南双诚环境科技有限公司是做垃圾焚烧炉、废液焚烧炉、废气焚烧炉。公司产品特点:1、设备体积小,节省投资成本,运行方便,检修管理;2、自动给料及出灰系统,操作方便,减···
Copyright 2022 河南双诚环境 All Rights Reserved. 地址:河南省新乡市新乡经济技术开发区广源路和榆东街交叉口往南210米路西 备案号 豫ICP备13023472号-1 XML地图 | 豫公网安备 41070402000132号